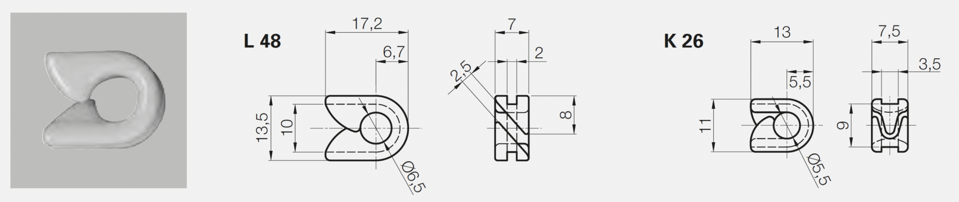
Ceramic eyelets
The ceramic eyelets shown are made of high-purity aluminum oxide (AL2O3).
The parts are sintered after finishing.
The ceramic eyelets shown are made of high-purity aluminum oxide (AL2O3).
The parts are sintered after finishing.
| Type | A | B | C | D | L | 3-D |
| M 207 | 6,4 | 4,7 | 3,0 | 2,5 | 3,5 | STEP |
| M 205 | 8,0 | 5,8 | 3,5 | 1,6 | 4,6 | |
| M 211 | 10,0 | 7,0 | 4,9 | 2,6 | 5,2 | |
| M 270 | 13,1 | 10,2 | 7,2 | 3,5 | 6,0 |
| Type | A | B | C | D | L | 3-D |
| M 187 B | 7,0 | 5,2 | 2,5 | 4,8 | 6,5 | STEP |
| M 122 | 9,4 | 6,8 | 3,3 | 6,0 | 8,5 | STEP |
| M 661 | 10,0 | 7,8 | 4,5 | 4,1 | 6,1 | STEP |
| M 104 | 11,0 | 9,3 | 5,0 | 8,6 | 11,5 | STEP |
| M 115 | 15,0 | 12,3 | 7,2 | 3,9 | 5,9 | STEP |
| M 767 | 15,0 | 12,0 | 8,0 | 9,5 | 13,9 | STEP |
| M 710 | 16,0 | 13,8 | 9,6 | 4,0 | 6,0 | STEP |
| M 718 | 13,0 | 10,0 | 7,0 | 10,0 | 12,0 | STEP |
| M 612 | 21,0 | 19,0 | 14,5 | 7,0 | 9,0 | STEP |
| M 151 | 21,5 | 16,2 | 11,5 | 7,2 | 11,0 | STEP |
| M 672 | 33,5 | 30,5 | 22 | 6,0 | 10,0 | STEP |
| Type | A | B | C | D | L | R | F | X° | 3-D |
| M 195 | 12,0 | 10,5 | 5,7 | 5,0 | 7,0 | 1,75 | 1,5 | 20° | STEP |
| M 131 | 15,0 | 13,0 | 3,5 | 5,0 | 7,5 | 1,5 | 1,0 | 15° |
You are currently viewing a placeholder content from Google Maps. To access the actual content, click the button below. Please note that doing so will share data with third-party providers.
More Information